产品中心
Products
产品概述
高温裂解炉是一种创新的能源设备,它可以将化工废盐及其他各种废弃物比如(垃圾、废弃塑料、废旧轮胎等)通过高温裂解、气化、焚烧等过程,转化为可再生能源。这种设备的优点是显而易见的。
工作原理

将废弃物品放入炉膛中,通过高温裂解的过程将其分解成气体和液体。然后,气体和液体会进入到气化室内在高温下转化为可燃气体,可燃气体会进入到燃烧室,产生热能和电能。
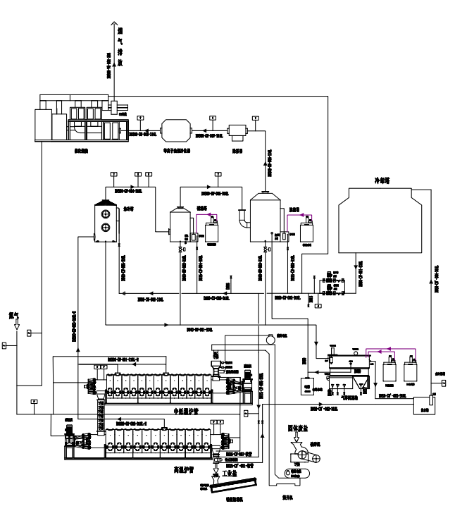
系统组成:固体物料处理系统、废气处理系统、水处理系统。
01固体物料处理系统包含:破碎机、提升机、高温炉管、上出卸料阀、鳞板输送机等。

02废气理系统包含:急冷塔、碱洗塔、旋流塔、除雾器、等离子油烟净化器、催化燃烧(CO)处理设备等。

03水处理系统包括:给水泵管路、急冷泵管路、气浮沉淀池

产品优势
它可以被用于各种场合:城市、乡村、工业区等;在减少废物数量的同时,降低环境污染。如果您需要一种可持续的能源来源,或者需要一种可持续的垃圾处理方式,那么高温裂解炉就是您的选择。
产品效果图

产品展示